• ******* To read about the changes to the marketplace click here

FS Dry goods For Sale - 40g IM40 AIO Tank Breakdown

mfhoover

Non-member
After starting grad school last year, I just didn’t have enough time to take proper care of the fish and corals. I donated the critters and boxed up the dry goods about a year ago. Just haven’t found time to get it going again, so, sadly, I’m putting it up for sale:

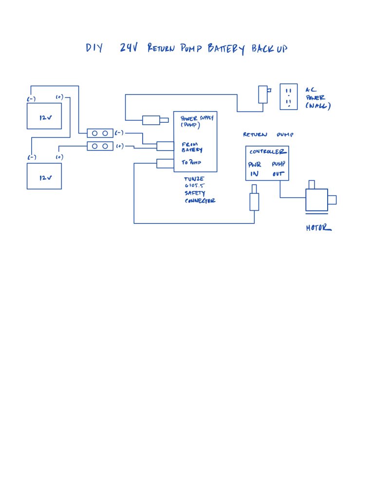
DIY 12 or 24V Return Pump Battery backup system – $99
  • 2 x 12V Battery Power Sonic PS-12180 NB 18 Amp Hour
  • Tunze USA 6105.500 Safety Connector
  • Wires and connector adapters
  • See images for connection diagram
ADJ PC-100 AC Power Strip - $39

2 x Hydor Koralia (1350 GPH) 5.5 watt Powerheads - $49 for both
[SOLD] 1x Red Sea ReefLED 90W WIFI Reef Spec LED Light with mounting arm - $275

  • Red Sea ReefLED 90 LED Light w/ power supply
  • ReefLED RL90 Mounting Arm
  • Red Sea ReefLED 90 Shade

[SOLD] Innovative Marine Fusion Pro AIO - $275

Purchased 2 years ago. Beautiful tank.
2 very small cosmetic chips on the bottom front of glass (see photos)

Custom-built solid walnut stand with pull-out controller board is extra (open to offers)

Includes:
  • Innovative Marine Fusion Pro AIO Rimless Tank
  • Coral Box (Jebao) DCA2000 Controllable Return Pump (581GPH) with flow control and feed mode controller
  • Flexible Hose, Return Elbows and Dual Directional Flow Nozzles
  • Intank Filter Floss tray
  • Intank AIO Refugium basket
  • IM Mesh lid
  • 2 x 100 watt Eheim Jager Heaters

[SOLD] DIY Salt Mix Station with pump and stand – $149
  • Capacity - 16g salt water and 16g RODI
  • Integrated water level gauges, thermometer
  • 1" Plumbing/valves to control/direct water between tanks and/or to spigots
  • Lifeguard Aquatics Quiet One 2200 (594 GPH/ 10.7 Max Ht. Ft)
Other Dry Goods
  • [SOLD] AI Nero 3 powerhead - $99
  • [SOLD] Tunze Osmolator Nano 3152 with 5 Gal container- $49
  • [SOLD] Reefbreeder Prism ATO (Never used) - $30
  • [SOLD] IM NuvoSkim 24-Volt DC™ AIO Protein Skimmer [Midsize] - $99
  • [SOLD] IM ChaetoMax 9w refugium light - $35
  • [SOLD] Bulk Reef Supply 4 Stage Value Plus 75GPD RO/DI System - $49

Located in Stoughton, MA
 

Attachments

  • IMG_1430-2.jpg
    IMG_1430-2.jpg
    141.6 KB · Views: 213
  • IMG_4625.jpg
    IMG_4625.jpg
    176.8 KB · Views: 221
  • IMG_7462.jpg
    IMG_7462.jpg
    167.6 KB · Views: 226
  • IMG_4610.jpg
    IMG_4610.jpg
    92.9 KB · Views: 207
  • IMG_4612.jpg
    IMG_4612.jpg
    94.5 KB · Views: 197
  • IMG_4620.jpg
    IMG_4620.jpg
    161.8 KB · Views: 192
  • IMG_4624.jpg
    IMG_4624.jpg
    170.6 KB · Views: 183
  • IMG_4641.jpg
    IMG_4641.jpg
    288.8 KB · Views: 148
  • Battery Backup diagram.jpg
    Battery Backup diagram.jpg
    42.7 KB · Views: 157
Last edited:
I'll take the RO/DI system if it is still available. And may take the tank to use as a QT setup... just need to run it by wife.
 
Message sent for #4
 
These are still available at new new lower prices - Thanks for having a look!

1x Red Sea ReefLED 90W WIFI Reef Spec LED Light with mounting arm and shade - Now $225
Tunze Osmolator Nano 3152 with 5 Gal container- $49
Reefbreeder Prism ATO (Never used) - $30
DIY 12 or 24V Return Pump Battery backup system – Now $75
ADJ PC-100 AC Power Strip - Now $30
2 x Hydor Koralia (1350 GPH) 5.5 watt Powerheads - Now $40 for both
 

Attachments

  • IMG_4861.jpg
    IMG_4861.jpg
    230.8 KB · Views: 134
Back
Top